Motor Control

Motor Control
Solid-state contactors:
SS series /Single-pole

Dimensions

SS series General use single-pole type SS101

SS series General use single-pole type SS201

SS series General use single-pole type SS301,401

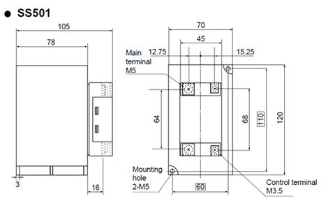
SS series General use single-pole type SS501

SS series General use single-pole type SS701

SS series General use single-pole type SS1001

SS series General use single-pole type SS1501

SS series General use single-pole type SS2001

Contact about this product

Contact Us