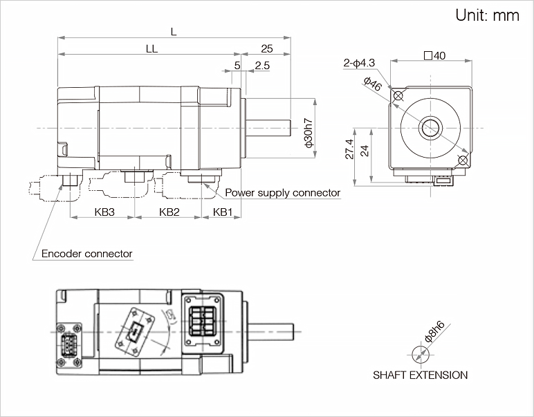
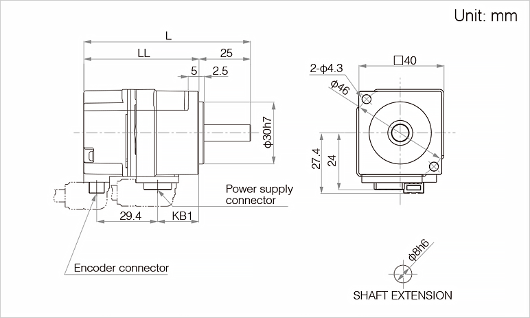
GYS Motor
GYS Motor (without brake)
| Rated speed |
Applicable motor
rated output |
Type |
Shaft
shape |
Overall
length |
Dimensions
(Flange) |
Mass [kg] |
| L |
LL |
| 3000r/min |
0.05kW |
GYS500D7-□B2 |
Figure A |
89 |
64 |
0.45 |
| 0.1kW |
GYS101D7-□B2 |
Figure B |
107 |
82 |
0.55 |
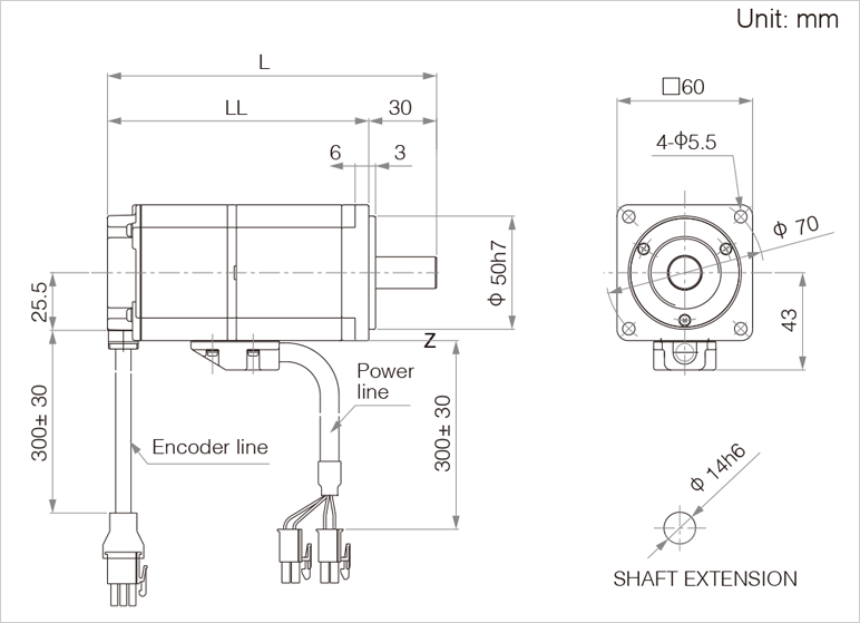
| Rated speed |
Applicable motor
rated output |
Type |
Overall
length |
Dimensions
(Flange) |
Mass [kg] |
| L |
LL |
| 3000r/min |
0.2kW |
GYS201D7-□B2 |
107.5 |
77.5 |
1.2 |
| 0.4kW |
GYS401D7-□B2 |
135.5 |
105.5 |
1.8 |
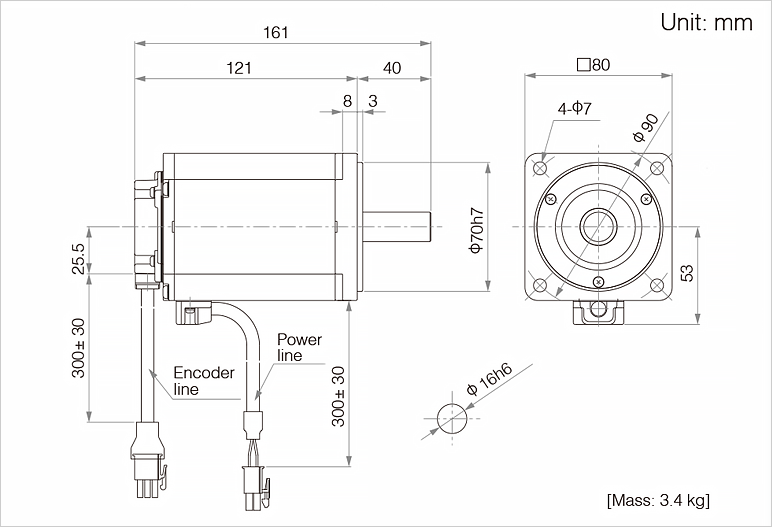
| Rated speed |
Applicable motor
rated output |
Type |
Mass [kg] |
| 3000r/min |
0.75kW |
GYS751D7-□B2 |
3.4 |
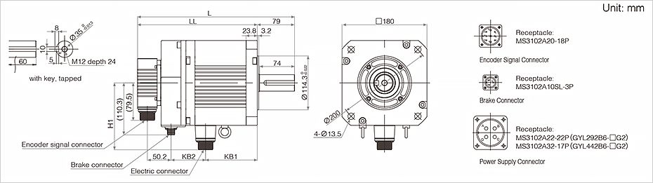
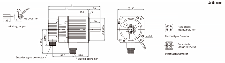
| Rated speed |
Applicable motor
rated output |
Type |
Overall
length |
Dimensions
(Flange) |
Terminal
portion |
Mass [kg] |
| L |
LL |
KB1 |
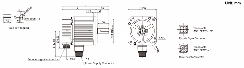
| 3000r/min |
1.0kW |
GYS102D7-□B2 |
198 |
153 |
77 |
4.4 |
| 1.5kW |
GYS152D7-□B2 |
220.5 |
175.5 |
99.5 |
5.2 |
| 2.0kW |
GYS202D7-□B2 |
243 |
198 |
122 |
6.3 |
GYS Motor (with brake)
| Rated speed |
Applicable motor
rated output |
Type |
Shaft
shape |
Overall
length |
Dimensions
(Flange) |
Mass [kg] |
| L |
LL |
| 3000r/min |
0.05kW |
GYS500D7-□B2-B |
Figure A |
123.5 |
98.5 |
0.62 |
| 0.1kW |
GYS101D7-□B2-B |
Figure B |
141.5 |
116.5 |
0.72 |
| Rated speed |
Applicable motor
rated output |
Type |
Overall
length |
Dimensions
(Flange) |
Mass [kg] |
| L |
LL |
| 3000r/min |
0.2kW |
GYS201D7-□B2-B |
145.5 |
115.5 |
1.7 |
| 0.4kW |
GYS401D7-□B2-B |
173.5 |
143.5 |
2.3 |
| Rated speed |
Applicable motor
rated output |
Type |
Mass [kg] |
| 3000r/min |
0.75kW |
GYS751D7-□B2-B |
4.2 |
| Rated speed |
Applicable motor
rated output |
Type |
Overall
length |
Dimensions
(Flange) |
Terminal
portion |
Mass [kg] |
| L |
LL |
KB1 |
| 3000r/min |
1.0kW |
GYS102D7-□B2-B |
239 |
194 |
79 |
5.9 |
| 1.5kW |
GYS152D7-□B2-B |
261.5 |
216.5 |
101.5 |
6.8 |
| 2.0kW |
GYS202D7-□B2-B |
284 |
239 |
124 |
7.9 |
-
Note
-
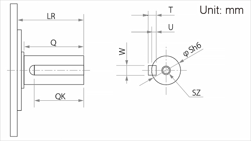
See the following for the shaft extension specifications of the motor with a key.
Shaft Extension Specifications
| Motor type |
LR |
Q |
QK |
S |
T |
U |
W |
SZ |
| GYS motor 3000r/min |
| GYS500D7-□A2-□* |
25 |
- |
14 |
6 |
2 |
1.2 |
2 |
- |
| GYS101D7-□A2-□* |
25 |
- |
14 |
8 |
3 |
1.8 |
3 |
- |
| GYS201D7-□C2-□ |
30 |
- |
20 |
14 |
5 |
3 |
5 |
M5 depth: 8 |
| GYS401D7-□C2-□ |
30 |
- |
20 |
14 |
5 |
3 |
5 |
M5 depth: 8 |
| GYS751D7-□C2-□ |
40 |
- |
30 |
16 |
5 |
3 |
5 |
M5 depth: 8 |
| GYS102D7-□C2-□ |
45 |
40 |
32 |
24 |
7 |
4 |
8 |
M8 depth: 16 |
| GYS152D7-□C2-□ |
45 |
40 |
32 |
24 |
7 |
4 |
8 |
M8 depth: 16 |
| GYS202D7-□C2-□ |
45 |
40 |
32 |
24 |
7 |
4 |
8 |
M8 depth: 16 |
-
Note
-
The shaft extension of the GYS Motors of 0.1kW or less is not tapped.
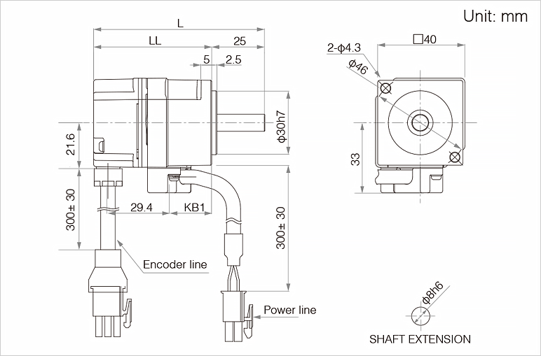
GYB Motor, Connector Type
GYB Motor (with brake)
| Rated speed |
Applicable motor
rated output |
Type |
Overall
length |
Dimensions
(Flange) |
Terminal
portion |
Mass [kg] |
| L |
LL |
KB1 |
| 3000 r/min |
0.05kW |
GYB500D7-□B2-C |
80.5 |
55.5 |
19.9 |
0.3 |
| 0.1kW |
GYB101D7-□B2-C |
92.5 |
67.5 |
31.9 |
0.4 |
| Rated speed |
Applicable motor
rated output |
Type |
Overall
length |
Dimensions
(Flange) |
Terminal
portion |
Mass
[kg] |
| L |
LL |
KB1 |
| 3000r/min |
0.2kw |
GYB201D7-□B2-C |
96.2 |
66.2 |
35.7 |
0.9 |
| 0.4kw |
GYB401D7-□B2-C |
114 |
84 |
53.5 |
1.2 |
| Rated speed |
Applicable motor
rated output |
Type |
Mass
[kg] |
| 3000r/min |
0.75kw |
GYB751D7-□B2-C |
2.3 |
GYB Motor (with brake)
| Rated speed |
Applicable motor
rated output |
Type |
Overall
length |
Dimensions
(Flange) |
Terminal
portion |
Mass [kg] |
| L |
LL |
KB1 |
KB2 |
KB3 |
| 3000r/min |
0.05kw |
GYB500D7-□B2-D |
117.2 |
92.2 |
19.9 |
33.7 |
32.5 |
0.55 |
| 0.1kw |
GYB101D7-□B2-D |
129.2 |
104.2 |
31.85 |
33.65 |
32.45 |
0.65 |
| Rated speed |
Applicable motor
rated output |
Type |
Overall
length |
Dimensions
(Flange) |
Terminal
portion |
Mass
[kg] |
| L |
LL |
KB1 |
| 3000r/min |
0.2kw |
GYB201D7-□B2-D |
136.25 |
106.25 |
35.7 |
1.3 |
| 0.4kw |
GYB401D7-□B2-D |
154.1 |
124.1 |
53.5 |
1.8 |
| Rated speed |
Applicable motor
rated output |
Type |
Mass
[kg] |
| 3000r/min |
0.75kw |
GYB751D7-□B2-D |
3.2 |
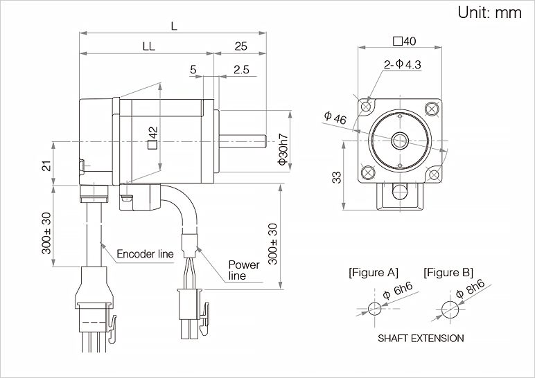
GYB Motor, Lead Wire Type
GYB Motor (without brake)
| Rated speed |
Applicable motor
rated output |
Type |
Overall
length |
Dimensions
(Flange) |
Mass [kg] |
| L |
LL |
| 3000r/min |
0.05kW |
GYB500D7-□B2 |
80.5 |
55.5 |
0.3 |
| 0.1kW |
GYB101D7-□B2 |
92.5 |
67.5 |
0.4 |
| Rated speed |
Applicable motor
rated output |
Type |
Overall
length |
Dimensions
(Flange) |
Mass [kg] |
| L |
LL |
| 3000r/min |
0.2kw |
GYB201D7-□B2 |
96.2 |
66.2 |
0.9 |
| 0.4kw |
GYB401D7-□B2 |
114 |
84 |
1.2 |
| Rated speed |
Applicable motor
rated output |
Type |
Mass [kg] |
| 3000r/min |
0.75kw |
GYB751D7-□B2 |
2.3 |
GYB Motor (with brake)
| Rated speed |
Applicable motor
rated output |
Type |
Overall
length |
Dimensions
(Flange) |
Mass [kg] |
| L |
LL |
| 3000r/min |
0.05kw |
GYB500D7-□B2-B |
117.2 |
92.2 |
0.55 |
| 0.1kw |
GYB101D7-□B2-B |
129.2 |
104.2 |
0.65 |
| Rated speed |
Applicable motor
rated output |
Type |
Overall
length |
Dimensions
(Flange) |
Mass [kg] |
| L |
LL |
| 3000r/min |
0.2kw |
GYB201D7-□B2-B |
136.25 |
106.25 |
1.3 |
| 0.4kw |
GYB401D7-□B2-B |
154.1 |
124.1 |
1.8 |
| Rated speed |
Applicable motor
rated output |
Type |
Mass [kg] |
| 000r/min |
0.75kw |
GYB751D7-□B2-B |
3.2 |
-
Note
-
See the following for the shaft extension specifications of the motor with a key.
-
Note
-
2 Some dimensions may differ depending on the motor specifications.
-
Note
-
□:N/E
Shaft Extension Specifications
| Motor type |
LR |
Q |
QK |
S |
T |
U |
W |
SZ |
| GYB motor 3000r/min |
| GYB500D7-□C2-□ |
25 |
- |
14 |
8 |
3 |
2 |
3 |
M3 depth: 6 |
| GYB101D7-□C2-□ |
25 |
- |
14 |
8 |
3 |
2 |
3 |
M3 depth: 6 |
| GYB201D7-□C2-□ |
30 |
- |
14 |
14 |
5 |
3 |
5 |
M5 depth: 8 |
| GYB401D7-□C2-□ |
30 |
- |
14 |
14 |
5 |
3 |
5 |
M5 depth: 8 |
| GYB751D7-□C2-□ |
40 |
- |
22 |
19 |
6 |
3.5 |
6 |
M6 depth: 10 |
GYE Motor
GYE Motor (without brake)
| Rated speed |
Applicable motor
rated output |
Type |
Overall
length |
Dimensions
(Flange) |
Mass [kg] |
| L |
LL |
| 3000r/min |
0.2kW |
GYE201D6-GC2 |
107.9 |
77.9 |
0.9 |
| 0.4kW |
GYE401D6-GC2 |
126.1 |
96.1 |
1.2 |
| Rated speed |
Applicable motor
rated output |
Type |
Mass [kg] |
| 3000r/min |
0.75kW |
GYE751D6-GC2 |
2.2 |
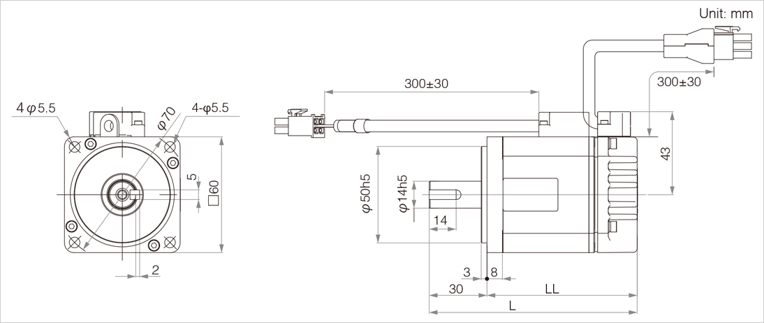
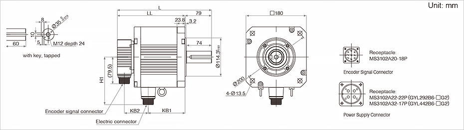
GYL Motor
GYL Motor (without brake)
| Rated speed |
Applicable
motor
rated
output |
Type |
Overall
length |
Dimensions
(Flange) |
Terminal
portion |
Mass [kg] |
| L |
LL |
KB1 |
| 1500r/min |
0.85kw |
GYL851B6-□G2 |
212.3 |
154.3 |
76.7 |
6.7 |
| 1.3kw |
GYL132B6-□G2 |
237.3 |
179.3 |
101.7 |
8.9 |
| 1.8kw |
GYL182B6-□G2 |
262.3 |
204.3 |
126.7 |
11.1 |
| Rated speed |
Applicable
motor
rated
output |
Type |
Overall
length |
Dimensions
(Flange) |
Terminal
portion |
Mass [kg] |
| L |
LL |
KB1 |
KB2 |
H1 |
| 1500r/min |
2.9kw |
GYL292B6-□G2 |
280.4 |
201.4 |
109.6 |
71.1 |
141.9 |
18 |
| 4.4kw |
GYL442B6-□G2 |
312.4 |
233.4 |
135.5 |
77.2 |
146.7 |
23.5 |
| Rated speed |
Applicable
motor
rated
output |
Type |
Overall
length |
Dimensions
(Flange) |
Terminal
portion |
Mass [kg] |
| L |
LL |
KB1 |
KB2 |
H1 |
| 1500r/min |
2.9kw |
GYL292B6-□G2-B |
332.6 |
253.6 |
109.6 |
73.1 |
141.9 |
22.5 |
| 4.4kw |
GYL442B6-□G2-B |
312.4 |
233.4 |
135.5 |
79.2 |
146.7 |
28 |
GYL Motor (with brake)
| Rated speed |
Applicable
motor
rated
output |
Type |
Overall
length |
Dimensions
(Flange) |
Terminal
portion |
Mass [kg] |
| L |
LL |
KB1 |
| 1500r/min |
0.85kw |
GYL851B6-□G2-B |
254.9 |
169.9 |
76.7 |
8.3 |
| 1.3kw |
GYL132B6-□G2-B |
279.9 |
221.9 |
101.7 |
10.5 |
| 1.8kw |
GYL182B6-□G2-B |
304.9 |
246.9 |
126.7 |
12.7 |