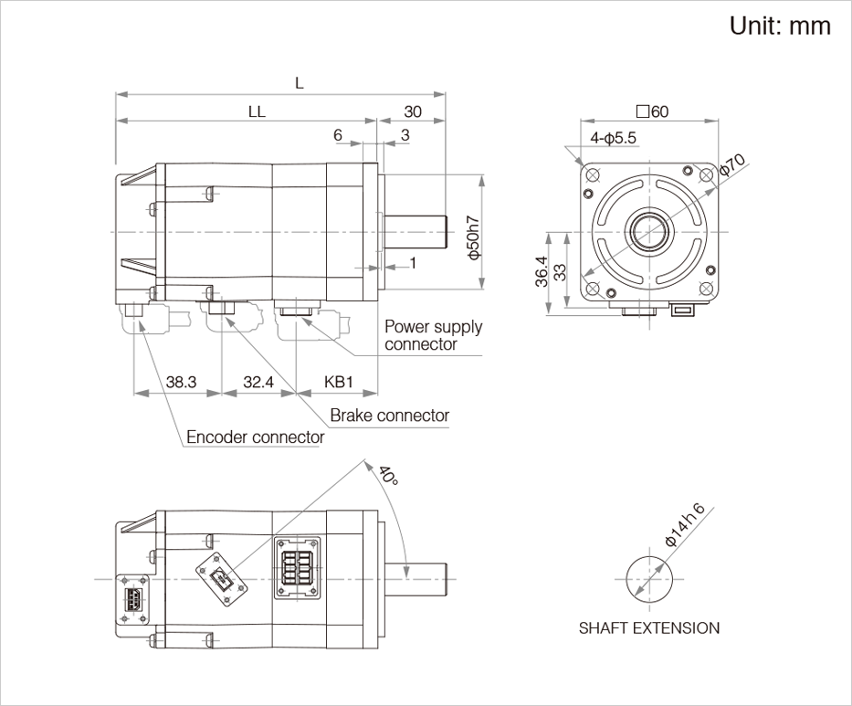
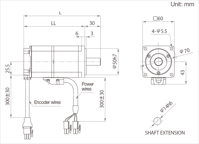
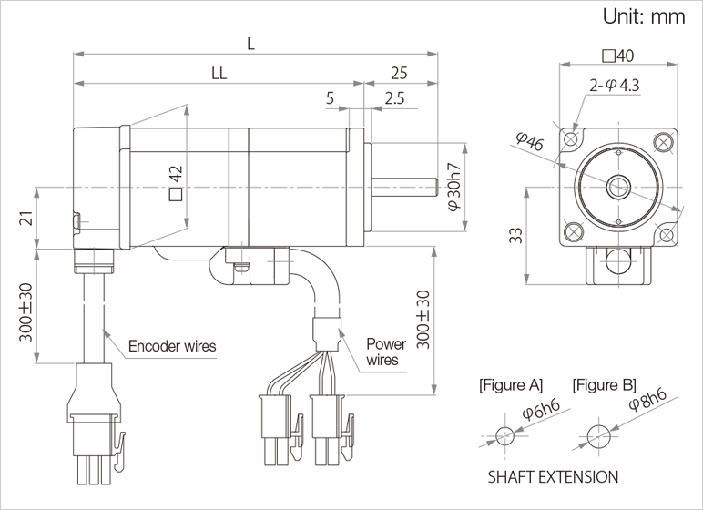
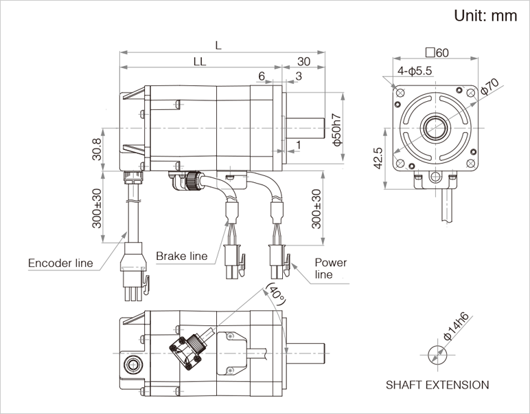
GYS Motor
GYS Motor (without Brake)
| Rated speed |
Applicable motor
rated output |
Type |
Shaft
shape |
Overall
length |
Dimensions
(Flange) |
Mass [kg] |
| L |
LL |
| 3000r/min |
0.05kW |
GYS500D7-□B2 |
Figure A |
89 |
64 |
0.45 |
| 0.1kW |
GYS101D7-□B2 |
Figure B |
107 |
82 |
0.55 |
| Rated speed |
Applicable motor
rated output |
Type |
Overall
length |
Dimensions
(Flange) |
Mass [kg] |
| L |
LL |
| 3000r/min |
0.2kW |
GYS201D7-□B2 |
107.5 |
77.5 |
1.2 |
| 0.4kW |
GYS401D7-□B2 |
135.5 |
105.5 |
1.8 |
| Rated speed |
Applicable motor
rated output |
Type |
Mass [kg] |
| 3000r/min |
0.75kW |
GYS751D7-□B2 |
3.4 |
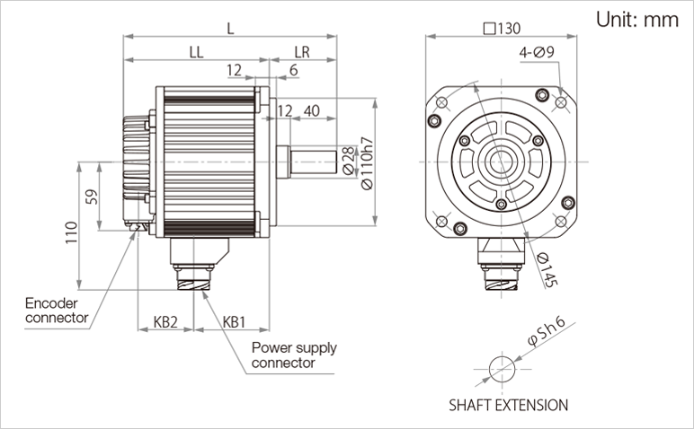
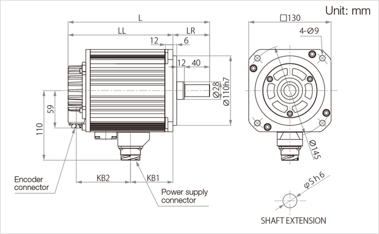
| Rated speed |
Applicable motor
rated output |
Type |
Overall
length |
Dimensions
(Flange) |
Terminal
portion |
Mass [kg] |
| L |
LL |
KB1 |
| 3000r/min |
1.0kW |
GYS102D7-□B2 |
198 |
153 |
77 |
4.4 |
| 1.5kW |
GYS152D7-□B2 |
220.5 |
175.5 |
99.5 |
5.2 |
| 2.0kW |
GYS202D7-□B2 |
243 |
198 |
122 |
6.3 |
| Rated speed |
Applicable motor
rated output |
Type |
Overall
length |
Dimensions
(Flange) |
Terminal
portion |
Mass [kg] |
| L |
LL |
KB1 |
| 3000r/min |
3.0kW |
GYS302D7-□B2 |
262.5 |
199.5 |
125.5 |
11 |
| 4.0kW |
GYS402D7-□B2 |
292.5 |
229.5 |
155.5 |
13.5 |
| 5.0kW |
GYS502D7-□B2 |
322.5 |
259.5 |
185.5 |
16 |
GYS Motor (with Brake)
| Rated speed |
Applicable motor
rated output |
Type |
Shaft
shape |
Overall
length |
Dimensions
(Flange) |
Mass [kg] |
| L |
LL |
| 3000r/min |
0.05kW |
GYS500D7-□B2-B |
Figure A |
123.5 |
98.5 |
0.62 |
| 0.1kW |
GYS101D7-□B2-B |
Figure B |
141.5 |
116.5 |
0.72 |
| Rated speed |
Applicable motor
rated output |
Type |
Overall
length |
Dimensions
(Flange) |
Mass [kg] |
| L |
LL |
| 3000r/min |
0.2kW |
GYS201D7-□B2-B |
145.5 |
115.5 |
1.7 |
| 0.4kW |
GYS401D7-□B2-B |
173.5 |
143.5 |
2.3 |
| Rated speed |
Applicable motor
rated output |
Type |
Mass [kg] |
| 3000r/min |
0.75kW |
GYS751D7-□B2-B |
4.2 |
| Rated speed |
Applicable motor
rated output |
Type |
Overall
length |
Dimensions
(Flange) |
Terminal
portion |
Mass [kg] |
| L |
LL |
KB1 |
| 3000r/min |
1.0kW |
GYS102D7-□B2-B |
239 |
194 |
79 |
5.9 |
| 1.5kW |
GYS152D7-□B2-B |
261.5 |
216.5 |
101.5 |
6.8 |
| 2.0kW |
GYS202D7-□B2-B |
284 |
239 |
124 |
7.9 |
| Rated speed |
Applicable motor
rated output |
Type |
Overall
length |
Dimensions
(Flange) |
Terminal
portion |
Mass [kg] |
| L |
LL |
KB1 |
| 3000r/min |
3.0kW |
GYS302D7-□B2-B |
304.5 |
241.5 |
127.5 |
13 |
| 4.0kW |
GYS402D7-□B2-B |
334.5 |
271.5 |
157.5 |
15.5 |
| 5.0kW |
GYS502D7-□B2-B |
364.5 |
301.5 |
187.5 |
7.9 |
-
Note
-
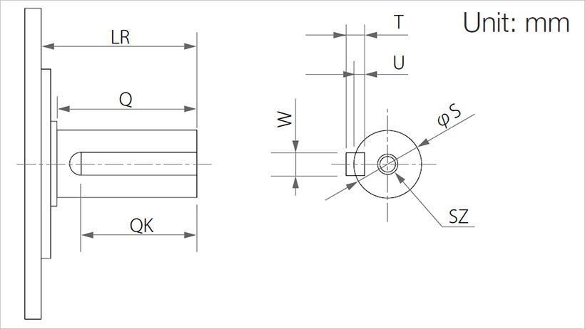
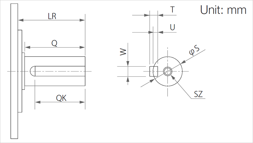
See the following for the shaft extension specifi cations of the motor with a key.
Shaft Extension Specifications
| Motor type |
LR |
Q |
QK |
S |
T |
U |
W |
SZ |
| GYS motor 3000r/min |
| GYS500D7-□A2-□(Note) |
25 |
- |
14 |
6 |
2 |
1.2 |
2 |
- |
| GYS101D7-□A2-□(Note) |
25 |
- |
14 |
8 |
3 |
1.8 |
3 |
- |
| GYS201D7-□C2-□ |
30 |
- |
20 |
14 |
5 |
3 |
5 |
M5 depth: 8 |
| GYS401D7-□C2-□ |
30 |
- |
20 |
14 |
5 |
3 |
5 |
M5 depth: 8 |
| GYS751D7-□C2-□ |
40 |
- |
30 |
16 |
5 |
3 |
5 |
M5 depth: 8 |
| GYS102D7-□C2-□ |
45 |
40 |
32 |
24 |
7 |
4 |
8 |
M8 depth: 16 |
| GYS152D7-□C2-□ |
45 |
40 |
32 |
24 |
7 |
4 |
8 |
M8 depth: 16 |
| GYS202D7-□C2-□ |
45 |
40 |
32 |
24 |
7 |
4 |
8 |
M8 depth: 16 |
| GYS302D7-□C2-□ |
63 |
55 |
45 |
28 |
7 |
4 |
8 |
M8 depth: 16 |
| GYS402D7-□C2-□ |
63 |
55 |
45 |
28 |
7 |
4 |
8 |
M8 depth: 16 |
| GYS502D7-□C2-□ |
63 |
55 |
45 |
28 |
7 |
4 |
8 |
M8 depth: 16 |
-
Note
-
The shaft extension of the GYS motors of 0.1kW or less is not tapped.
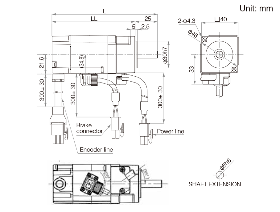
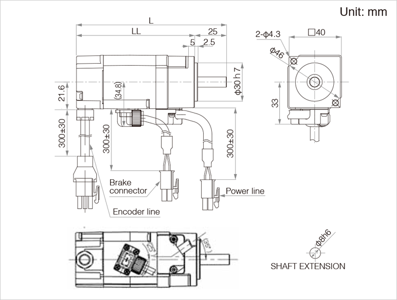
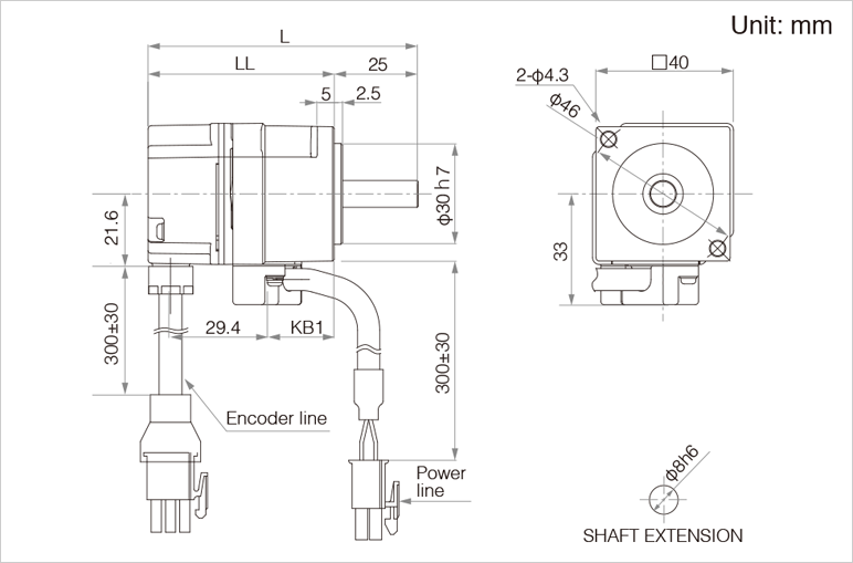
GYB Motor, Connector Type
GYB Motor (with Brake)
| Rated speed |
Applicable motor
rated output |
Type |
Overall
length |
Dimensions
(Flange) |
Terminal
portion |
Mass [kg] |
| L |
LL |
KB1 |
| 3000 r/min |
0.05kW |
GYB500D7-□B2-C |
80.5 |
55.5 |
19.9 |
0.3 |
| 0.1kW |
GYB101D7-□B2-C |
92.5 |
67.5 |
31.9 |
0.4 |
| Rated speed |
Applicable motor
rated output |
Type |
Overall
length |
Dimensions
(Flange) |
Terminal
portion |
Mass
[kg] |
| L |
LL |
KB1 |
| 3000r/min |
0.2kw |
GYB201D7-□B2-C |
96.2 |
66.2 |
35.7 |
0.9 |
| 0.4kw |
GYB401D7-□B2-C |
114 |
84 |
53.5 |
1.2 |
| Rated speed |
Applicable motor
rated output |
Type |
Mass
[kg] |
| 3000r/min |
0.75kw |
GYB751D7-□B2-C |
2.3 |
GYB Motor (with Brake)
| Rated speed |
Applicable motor
rated output |
Type |
Overall
length |
Dimensions
(Flange) |
Terminal
portion |
Mass [kg] |
| L |
LL |
KB1 |
KB2 |
KB3 |
| 3000r/min |
0.05kw |
GYB500D7-□B2-D |
117.2 |
92.2 |
19.9 |
33.7 |
32.5 |
0.55 |
| 0.1kw |
GYB101D7-□B2-D |
129.2 |
104.2 |
31.85 |
33.65 |
32.45 |
0.65 |
| Rated speed |
Applicable motor
rated output |
Type |
Overall
length |
Dimensions
(Flange) |
Terminal
portion |
Mass
[kg] |
| L |
LL |
KB1 |
| 3000r/min |
0.2kw |
GYB201D7-□B2-D |
136.25 |
106.25 |
35.7 |
1.3 |
| 0.4kw |
GYB401D7-□B2-D |
154.1 |
124.1 |
53.5 |
1.8 |
| Rated speed |
Applicable motor
rated output |
Type |
Mass
[kg] |
| 3000r/min |
0.75kw |
GYB751D7-□B2-D |
3.2 |
GYB Motor, Lead Wire Type
GYB Motor (without Brake)
| Rated speed |
Applicable motor
rated output |
Type |
Overall
length |
Dimensions
(Flange) |
Mass [kg] |
| L |
LL |
| 3000r/min |
0.05kW |
GYB500D7-□B2 |
80.5 |
55.5 |
0.3 |
| 0.1kW |
GYB101D7-□B2 |
92.5 |
67.5 |
0.4 |
| Rated speed |
Applicable motor
rated output |
Type |
Overall
length |
Dimensions
(Flange) |
Mass [kg] |
| L |
LL |
| 3000r/min |
0.2kw |
GYB201D7-□B2 |
96.2 |
66.2 |
0.9 |
| 0.4kw |
GYB401D7-□B2 |
114 |
84 |
1.2 |
| Rated speed |
Applicable motor
rated output |
Type |
Mass [kg] |
| 3000r/min |
0.75kw |
GYB751D7-□B2 |
2.3 |
GYB Motor (with Brake)
| Rated speed |
Applicable motor
rated output |
Type |
Overall
length |
Dimensions
(Flange) |
Mass [kg] |
| L |
LL |
| 3000r/min |
0.05kw |
GYB500D7-□B2-B |
117.2 |
92.2 |
0.55 |
| 0.1kw |
GYB101D7-□B2-B |
129.2 |
104.2 |
0.65 |
| Rated speed |
Applicable motor
rated output |
Type |
Overall
length |
Dimensions
(Flange) |
Mass [kg] |
| L |
LL |
| 3000r/min |
0.2kw |
GYB201D7-□B2-B |
136.25 |
106.25 |
1.3 |
| 0.4kw |
GYB401D7-□B2-B |
154.1 |
124.1 |
1.8 |
| Rated speed |
Applicable motor
rated output |
Type |
Mass [kg] |
| 000r/min |
0.75kw |
GYB751D7-□B2-B |
3.2 |
GYB Motor, Connector Type (Battery-less ABS Motor)
GYB Motor (without Brake)
| Rated speed |
Applicable motor
rated output |
Type |
Overall
length |
Dimensions
(Flange) |
Terminal
portion |
Mass
[kg] |
| L |
LL |
KB1 |
| 3000r/min |
0.05kW |
GYB500D7-BB2-C |
80.5 |
60.0 |
19.9 |
0.3 |
| 0.1kW |
GYB101D7-BB2-C |
97.0 |
72.0 |
31.9 |
0.4 |
| Rated speed |
Applicable motor
rated output |
Type |
Overall
length |
Dimensions
(Flange) |
Terminal
portion |
Mass
[kg] |
| L |
LL |
KB1 |
| 3000r/min |
0.2kw |
GYB201D7-BB2-C |
104.1 |
74.1 |
37.7 |
0.9 |
| 0.4kw |
GYB401D7-BB2-C |
122 |
92 |
53.5 |
1.2 |
| Rated speed |
Applicable motor
rated output |
Type |
Mass [kg] |
| 3000r/min |
0.75kw |
GYB751D7-BB2-C |
2.3 |
GYB Motor (with Brake)
| Rated speed |
Applicable motor
rated output |
Type |
Overall
length |
Dimensions
(Flange) |
Terminal
portion |
Mass [kg] |
| L |
LL |
KB1 |
KB2 |
KB3 |
| 3000r/min |
0.05kw |
GYB500D7-BB2-D |
121.7 |
96.7 |
19.9 |
33.7 |
36.6 |
0.55 |
| 0.1kw |
GYB101D7-BB2-D |
133.7 |
108.7 |
31.85 |
33.65 |
36.6 |
0.65 |
| Rated speed |
Applicable motor
rated output |
Type |
Overall
length |
Dimensions
(Flange) |
Terminal
portion |
Mass [kg] |
| L |
LL |
KB1 |
| 3000r/min |
0.2kw |
GYB201D7-BB2-D |
144.2 |
114.2 |
35.7 |
1.3 |
| 0.4kw |
GYB401D7-BB2-D |
162.1 |
53.5 |
53.5 |
1.8 |
| Rated speed |
Applicable motor
rated output |
Type |
Mass [kg] |
| 3000r/min |
0.75kw |
GYB751D7-BB2-D |
3.2 |
GYB Motor, Lead Wire Type (Battery-less ABS Motor)
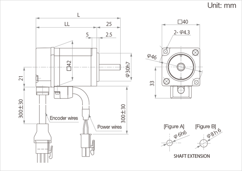
GYB Motor (without Brake)
| Rated speed |
Applicable motor
rated output |
Type |
Overall
length |
Dimensions
(Flange) |
Terminal
portion |
Mass [kg] |
| L |
LL |
KB1 |
| 3000r/min |
0.05kw |
GYB500D7-BB2-C |
85 |
60 |
19.9 |
0.3 |
| 0.1kw |
GYB101D7-BB2-C |
97 |
72 |
31.9 |
0.4 |
| Rated speed |
Applicable motor
rated output |
Type |
Overall
length |
Dimensions
(Flange) |
Terminal
portion |
Mass [kg] |
| L |
LL |
KB1 |
| 3000r/min |
0.2kw |
GYB201D7-BB2-C |
104.1 |
74.1 |
37.7 |
0.9 |
| 0.4kw |
GYB401D7-BB2-C |
122 |
92 |
53.5 |
1.2 |
| Rated speed |
Applicable motor
rated output |
Type |
Mass [kg] |
| 3000r/min |
0.75kw |
GYB751D7-BB2-C |
2.3 |
GYB Motor (with Brake)
| Rated speed |
Applicable motor
rated output |
Type |
Overall
length |
Dimensions
(Flange) |
Mass [kg] |
| L |
LL |
| 3000r/min |
0.05kw |
GYB500D7-BB2-B |
121.7 |
96.7 |
0.55 |
| 0.1kw |
GYB101D7-BB2-B |
133.7 |
108.7 |
0.65 |
| Rated speed |
Applicable motor
rated output |
Type |
Overall
length |
Dimensions
(Flange) |
Mass [kg] |
| L |
LL |
| 3000r/min |
0.05kw |
GYB201D7-BB2-B |
144.2 |
114.2 |
1.3 |
| 0.1kw |
GYB401D7-BB2-B |
162.1 |
53.5 |
1.8 |
| Rated speed |
Applicable motor
rated output |
Type |
Mass [kg] |
| 3000r/min |
0.75kw |
GYB751D7-BB2-B |
3.2 |
-
Note
-
See the following for the shaft extension specifi cations of the motor with a key.
-
Note
-
2 Some dimensions may differ depending on the motor specifi cations.
Shaft ExtensionSpecifications
| Motor type |
LR |
Q |
QK |
S |
T |
U |
W |
SZ |
| GYB motor 3000r/min |
| GYB500D7-□C2-□ |
25 |
- |
14 |
8 |
3 |
2 |
3 |
M3 depth: 6 |
| GYB101D7-□C2-□ |
25 |
- |
14 |
8 |
3 |
2 |
3 |
M3 depth: 6 |
| GYB201D7-□C2-□ |
30 |
- |
14 |
14 |
5 |
3 |
5 |
M5 depth: 8 |
| GYB401D7-□C2-□ |
30 |
- |
14 |
14 |
5 |
3 |
5 |
M5 depth: 8 |
| GYB751D7-□C2-□ |
40 |
- |
22 |
19 |
6 |
3.5 |
6 |
M6 depth: 10 |
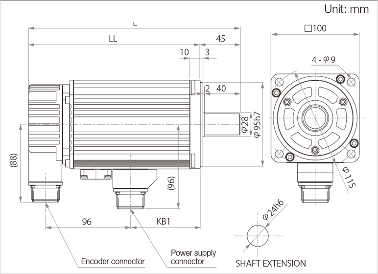
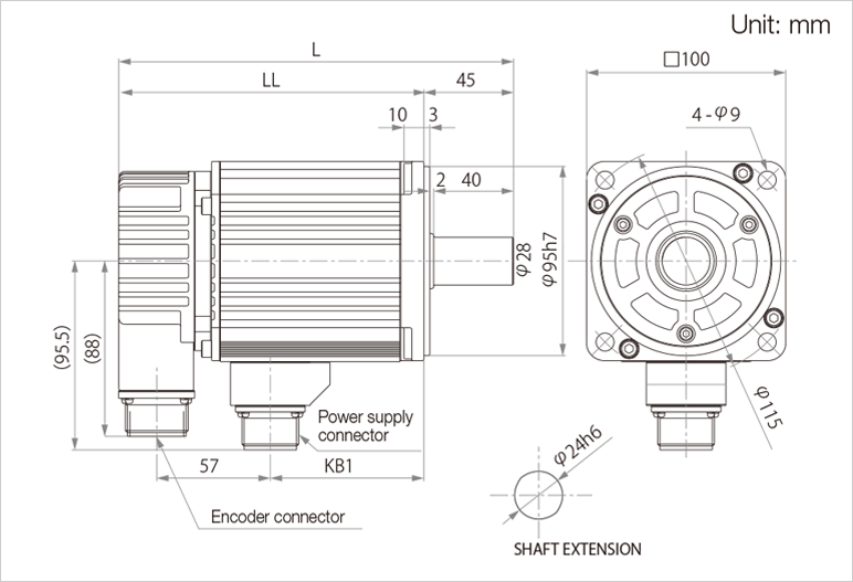
GYG Motor
GYG Motor (without Brake)
| Rated speed |
Applicable motor
rated output |
Type |
Overall
length |
Dimensions |
Terminal portion |
Mass [kg] |
| Flange |
Shaft |
| L |
LL |
LR |
KB1 |
KB2 |
| 2000r/min |
1.0kW |
GYG102C7-□B2 |
180.5 |
125.5 |
55 |
65 |
47.5 |
5.6 |
| 1.5kW |
GYG152C7-□B2 |
198 |
143 |
55 |
82.5 |
47.5 |
7.3 |
| 2.0kW |
GYG202C7-□B2 |
232.5 |
177.5 |
55 |
109 |
55.5 |
9.8 |
| Rated speed |
Applicable motor
rated output |
Type |
Overall
length |
Dimensions |
Terminal portion |
Shaft
diameter |
Mass [kg] |
| Flange |
Shaft |
| L |
LL |
LR |
KB1 |
KB2 |
S |
| 1500r/min |
0.85kW |
GYG851B7-□B2 |
183.5 |
125.5 |
58 |
65 |
47.5 |
19 |
5.6 |
| 1.3kW |
GYG132B7-□B2 |
201 |
143 |
58 |
82.5 |
47.5 |
22 |
7.3 |
| 1.8kW |
GYG182B7-□B2 |
232.5 |
177.5 |
55 |
109 |
55.5 |
22 |
9.8 |
GYG Motor (with Brake)
| Rated speed |
Applicable motor
rated output |
Type |
Overall
length |
Dimensions |
Terminal portion |
Mass [kg] |
| Flange |
Shaft |
| L |
LL |
LR |
KB1 |
KB2 |
| 2000r/min |
1.0kW |
GYG102C7-□B2-B |
220.5 |
165.5 |
55 |
67 |
85.5 |
7.8 |
| 1.5kW |
GYG152C7-□B2-B |
238 |
183 |
55 |
84.5 |
85.5 |
9.5 |
| 2.0kW |
GYG202C7-□B2-B |
272.5 |
217.5 |
55 |
109 |
95.5 |
12.1 |
| Rated speed |
Applicable motor
rated output |
Type |
Overall
length |
Dimensions |
Terminal portion |
Shaft
diameter |
Mass [kg] |
| Flange |
Shaft |
| L |
LL |
LR |
KB1 |
KB2 |
S |
| 1500r/min |
0.85kW |
GYG851B7-□B2-B |
223.5 |
165.5 |
58 |
67 |
85.5 |
19 |
7.8 |
| 1.3kW |
GYG132B7-□B2-B |
241 |
183 |
58 |
84.5 |
85.5 |
22 |
9.5 |
| 1.8kW |
GYG182B7-□B2-B |
272.5 |
217.5 |
55 |
109 |
95.5 |
22 |
12.1 |
-
Note
-
See the following for the shaft extension specifi cations of the motor with a key.
Shaft Extension Specifications
| Motor type |
LR |
Q |
QK |
S |
T |
U |
W |
SZ |
| GYG motor 2000r/min |
| GYG102C7-□C2-□ |
55 |
47 |
35 |
22 |
7 |
4 |
8 |
M8 depth: 16 |
| GYG152C7-□C2-□ |
55 |
47 |
35 |
22 |
7 |
4 |
8 |
M8 depth: 16 |
| GYG202C7-□C2-□ |
55 |
47 |
35 |
22 |
7 |
4 |
8 |
M8 depth: 16 |
| GYG motor 1500r/min |
| GYG851B7-□C2-□ |
58 |
40 |
30 |
19 |
6 |
3.5 |
6 |
M6 depth: 10 |
| GYG132B7-□C2-□ |
58 |
40 |
30 |
22 |
7 |
4 |
8 |
M8 depth: 16 |
| GYG182B7-□C2-□ |
55 |
47 |
35 |
22 |
7 |
4 |
8 |
M8 depth: 16 |